Peralatan Kontrol Listrik.
1) Solenoid
Solenoid atau coil adalah suatu elektro magnit
yang terdiri dari kumparan dan inti yang dapat bergerak ( jangkar ). Bila
solenoid diberi tegangan, maka pada kumparan terjadi medan magnit, sehingga
dapat menarik inti besi.
Inti besi ini dapat digunakan untuk menggerakan kontaktor, katup, atau elemen mekanik lainnya. Sumber tegangan untuk solenoid dapat tegangan arus bolak balik atau arus searah.Besarnya arus yang mengalir kesolenoid harus dibatasi agar tidak overheating atau bahkan terbakar. Tegangan kerja kumparan berkisar antara 80 % - 110 % tegangan name plate. Pemakaian selonoid pada peralatan unit pembangkit listrik sangat banyak.
| gambar fisik solenoid |
|
|
Jenis – jenis kerusakan
solenoid antara lain :
1. Kumparan terbakar
2. Permukaan inti kotor / berkarat, atau aus
3. Kumparan putus
4. Per putus atau kendor
2) Rheostat
Rheostat berfungsi untuk mengatur besaran tegangan atau arus dalam suatu rangkaian listrik misalnya untuk start motor-motor lilit, pengujian relay, eksitasi dan lain-lain.
Gangguan yang sering terjadi pada reostat antara
lain :
-
kontak
geser kendor atau patah
-
Permukaan
lilitan aus atau kotor
-
Terminal
aus atau kendor
-
Kawat
lilitan putus
3) Push Button Switch
Push button switch adalah biasa disebut tombol tekan, tombol tekan ada 2 ( dua ) jenis, yaitu Normaly Open ( NO ) bila ditekan saklar aktif, dilepas saklar mati dan Normaly Close bila ditekan saklar mati, dilepas saklar aktif.
Tombol tekan ini biasa digunakan untuk kontrol start, stop motor
semi otomatis atau kontrol lain yang menggunakan relay atau kontaktor magnit. Push buttom normaly open biasa digunakan untuk rangkaian start
motor, maka dapat disebut ” On Push Buttom ” dan push buttom normaly close
biasa digunakan untuk rangkaian mematikan operasi motor, maka dapat
disebut ”Off Push Button ”
Dalam pelaksanan pemakaiannya biasanya on push button diberi warna
merah dan off push button diberi warna hijau.
Adapun kerusakan yang sering terjadi diantaranya :
-
kontak
aus atau kotor
-
Per
lepas
-
Terminal
kendor
4) Limit Switch
Sesuai dengan namanya limit switch adalah alat untuk menghubung atau
memutus rangkaian yang digerakan oleh suatu batasan ( limit ) mekanik. Limit
switch banyak sekali digunakan pada unit pembangkit listrik, khususnya PLTU
misalnya membatasi gerak soot blower, katub, damper dan sebagainya.
Terdapat beberapa macam limit switch, salah satunya adalah seperti gambar dibawah. Ia harus ditangani secara hati – hati karena bentuknya kecil dan berhubungan dengan suatu gerakan mekanik.
5) Timer
Timer adalah peralatan yang berfungsi untuk menghitung besaran waktu sesuai dengan yang dikehendaki.
Prinsip kerja peralatan ini ada beberapa azas antara lain mekanik ,
elektronik dan pneumatik. Timer yang berdasarkan azas mekanik biasanya
menggunakan sistem spiral ( per ) sebagai penghitung waktunya. Bila spiral itu
diputar secara manual maka akan menghubungkan kontak, dan kontak tersebut lepas
bila spiral sudah kendor dan dengan sendirinya melepas kontak.
Kemudian timer yang
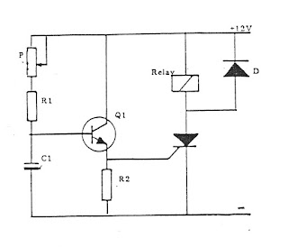
berdasarkan elektronik, prinsip kerjanya seperti pada gambar berikut :
Gambar diatas menggambarkan prinsip rangkaian timer elektronik. Bila pada rangkaian tersebut diberi tegangan, maka kapasitor ( C1) diisi muatan lewat tahanan variable ( P ) dan tahanan R1. Teganganbasis di transistor Q1 berangsur-angsur membesar, dan arus kolektorpun berangsur naik. Kalau arus kolektor sudah cukup besar, tegangan pada R2 menyulut thyristor, maka relay akan bekerja. Jadi untuk mengatur lamanya tidaknya timer tersebut tergantung pemberian muatan pada kapasitor yang diatur melalui tahanan variable ( P ). Timer ini digunakan untuk waktu tunda . Pada peralatan kontrol listrik timer ini biasanya digunakan untuk penundaan (delay) bekerjanya kontak.Terdapat 2 ( dua ) jenis penundaan yaitu TDO ( Time Delay Open ) dan TDC ( Time Delay Close ). Yang dimaksud dengan TDO adalah pada saat ada sumber tegangan pada timer tersebut, kontak bekerja kemudian sumber tegangan hilang beberapa saat kemudian kontak baru terbuka/lepas. Adapun TDC adalah bila pada timer tersebut mendapat tegangan, maka kontak ditunda belum bekerja menunggu beberapa saat sesuai dengan waktu yang dikehendaki.
Sebagai gambaran
dari kedua tersebut adalah sebagai
berikut :
Untuk jenis timer elektrik untuk menghitung waktu, biasanya dengan menggunakan motor listrik. Jenis ini digunakan menghitung waktu yang relatif lama. Sebagai contoh untuk kontrol lampu penerangan jalan yang disetting secara priodik.
jenis timer dengan azas penumatik, prinsip kerjanya berdasarkan tekanan udara pada tabung karet (seperti bellows) dari kondisi ada tekanan ke tidak ada tekanan (normal). Jenis ini biasanya digunakan pada kontaktor magnit untuk penundaan starting motor.
| timer penumatik |
6) Lampu Indikator
Lampu indikator atau disebut juga lampu pilot adalah suatu lampu sebagai tanda untuk
mengetahui bahwa rangkaian tersebut
sedang operasi, tidak operasi atau ada gangguan. Untuk membedakan kondisi tersebut,
lampu diberi warna.
Klasifikasi warna lampu yang standar adalah :
- Merah ( m ) : Lampu indikator warna merah pertanda bahwa
sistem peralatan dalam keadaan
operasi.
- Hijau ( v) : Lampu
indikator warna hijau, petanda bahwa sistem peralatan dalam keadaan siap
operasi.
- Putih ( A ) : Lampu indikator warna putih, petanda bahwa
sistem sedang ada Gangguan.
7) Kontaktor magnit
disebut juga magnetic circuit breaker )
adalah suatu peralatan penghubung atau pemutus yang dapat dioperasikan dengan
rangkaian kontrol, baik secara otomatis maupun semi otomatis.
Biasanya kontaktor magnit dilengkapi dengan thermal relay sebagai pengaman bila terjadi beban lebih. Bekerja pada tegangan maximum 600 Volt.
Adapun komponen-komponennya meliputi :
-
Kontak-kontak
utama ( main contact )
-
Kontak-kontak
bantu ( auxiliary contact )
-
Kumparan
magnit ( Solenoid )
Kontak utama berfungsi untuk menghubungkan rangkaian listrik utama yang dikontrol, sedangkan kontak bantusebagai rangkaian kontrol. Kumparan magnit berfungsi untuk membuat kemagnitan, sehingga dapat menarik kontak-kontak atau melepas kontak. Kontak-kontak pada kontaktor magnit ada normaly open ( NO ) dan normaly close ( NC ).
8 ) Relay Listrik
Relay ini merupakan komponen utama rangkaian-rangkaian kontrol. Prinsip kerja dari relay serupa dengan kontaktor magnit
Alat ini mempunyai kontak yang ditempatkan dalamtempat yang tertutup supaya kontak jangan terkotaminasi dengan polusi lingkungan. Terdapat 2 ( dua ) jenis relay sesuai sumber tegangan yaitu AC dan DC. Adapun jenis relay yang didasarkan azas kerjanya, yaitu relay mekanik dan relay elektronik.
9) Floating Switch
Floating switch adalah merupakan saklar yang bekerjanya berdasarkan sentuhan mekanis akibat naik turunnya pelampung yang berada diatas permukaan cairan / air.
Floating switch
biasa digunakan untuk mengontrol secara otomatis pada pompa air atau minyak .
Operasi dan tidak motor pompa tergantung pada setting level permukaan cairan
tersebut.
10) Thermostat
Thermostat adalah alat pemutus dan penghubung rangkaian listrik secara otomatis berdasarkan suhu. Alat ini mempunyai suatu alat perasa yang peka terhadap perubahan suhu. Thermostat tidak perlu ditempatkan pada bagian yang panas, tetapi dapat ditempat pada bagian yang dingin dan diatur temperatur yang diinginkan.
Menurut prinsip kerjanya thermostat
dibagi dalam :
1. Thermostat dengan Dwi Logam ( Bimetal )
2. Thermostat Zat
Cair
3. Thermostat Gas
Thermostat dengan Dwi Logam ( Bimetal )
Pada thermostat
ini rangkaian arusnya dihubungkan dan diputuskan oleh suatu elemen dwi logam
yang menjadi bengkok atau lurus karena perubahan suhu. Hal ini disebabkan
karena dua logam yang berbeda disatukan dan masing - masing logam mempunyai
koefisien muai yang berbeda, bila kena panas maka dwi logam tersebut akan
bengkok. Proses bengkok atau lurus
tersebut yang akan digunakan untuk melepas atau menghubungkan kontak.
Thermostat zat cair
Thermostat jenis
ini memiliki komponen alat perasa,pipa kapiler dan ruang tekan. Pipa kapiler
tersebut diisi dengan zat cair yang memiliki koefisien muai yang besar.
Biasanya cairan tersebut menggunakan air raksa.Kalau zat cair ini muai,
kontaknya akan membuka dan kalau zat cairnya mengerut, kontaknya akan menutup.
Thermostat gas.
Thermostat
gas pada prinsipnya sama dengan zat cair, kalau pada thermostat ga stabung
kapiler diisi dengan gas. Apabila gas tersebut kena panas, maka akan memuai dan
akan memberikan tekanan pada membran, kemudian mendorong untuk menggerakkan
kontak.
11) Thermal Relay
Thermal relay adalah suatu proses pembukaan atau penutupan kontak-kontak listrikatas dasar panas yang ditimbulkan dari arus listrik yang melebihi dari batas yang ditentukan. Adapun prinsip kerja dari thermal relay sama dengan prinsip thermostat dari logam ( bimetal ). Jadi apabila ada arus yang melebihi batas tidak dapat seketika untuk melepas kontak, karena ada proses pemanasan pada bimetal.
Dalam penggunaannya relay jenis ini digunakan untuk pembatas beban atau beban lebih, misalnya : MCB ( Mini Circuit Breaker ) atau Overload relay pada pengaman motor.
Contoh
konstruksi MCB dan prinsip kerja rangkaian overload relay pada pengaman motor
seperti gambar berikut :
12) Elektromagnetik Relay
Elektromagnetik relay adalah suatu proses komponen untuk penbukaan atau penutupan kontak-kontak listrik yang bekerjanya atas dasar elektromagnetik dari besaran arus yang telah ditentukan. Apabila arus tertentu pada kumparan elektromagnetik maka akan menarik tuasatau batang gerak dan seketika itu melepaskan kontak, sehingga tidak ada waktu tunda.
Relay ini biasa digunakan untuk pengaman arus listrik hubungan singkat. Prinsip relay ini, juga digunakan pada pengaman jenis MCB atau NFB ( No Fuse Breaker ) yang berfungsi untuk pengamanan arus lebih hubungan singkat













Tidak ada komentar:
Posting Komentar